Foam System

ระบบโฟม Foam System และระบบ Water Spray

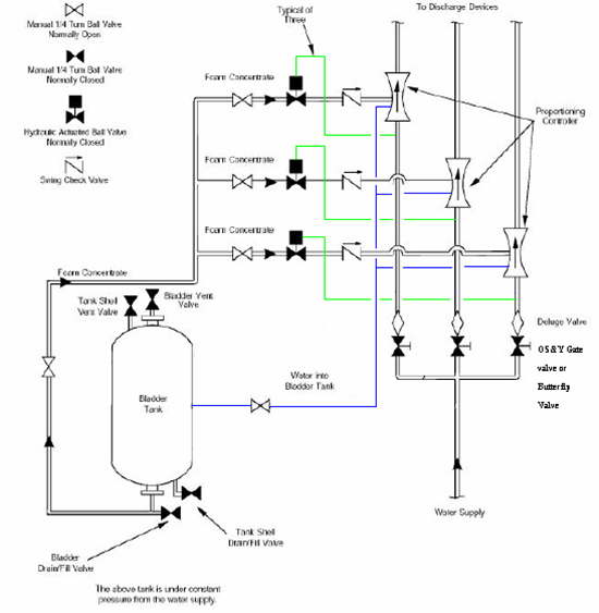
ระบบ Water Spray และระบบผสมโฟม  การทำงานแบบอัตโนมัติ (Automatic Operation) โดยเครื่องตรวจจับสัญญาณความร้อน (Heat Detector) ทำงานเมื่อตรวจจับความร้อน แล้วส่งสัญญาณไปที่ตู้ควบคุม จากนั้นจึงสั่งให้ Deluge Valve เปิด เพื่อให้น้ำดับเพลิงไหล ผ่านตัวผสมโฟม (Line Proportioner) เพื่อผสมสารละลายโฟม ก่อนที่จะฉีดพ่นผ่าน หัว Spray Nozzle รอบ ๆ พื้นที่ ทำให้ประสิทธิภาพในการดับเพลิงดีขึ้น   มาตรฐานอ้างอิง (Reference Standard)
- Nation Fire Protection Association (NFPA)
- NFPA 13 Installation of Sprinkler System
- NFPA 14 Installation of Standpipe and Hose System
- NFPA 15 Water Spray Fixed System for Fire Protection
Powered by MakeWebEasy.com
เว็บไซต์นี้มีการใช้งานคุกกี้ เพื่อเพิ่มประสิทธิภาพและประสบการณ์ที่ดีในการใช้งานเว็บไซต์ของท่าน ท่านสามารถอ่านรายละเอียดเพิ่มเติมได้ที่ นโยบายความเป็นส่วนตัว  และ  นโยบายคุกกี้