CO2 System


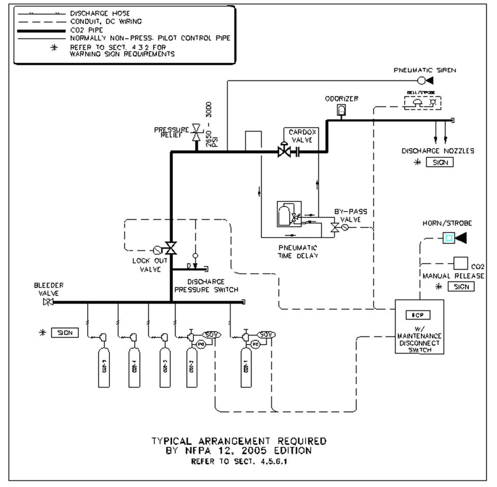
ระบบดับเพลิงอัตโนมัติด้วย Carbon Dioxide (CO2) เป็นแก๊สชนิดหนึ่งที่เป็นที่นิยมในการมาใช้งานระบบดับเพลิงอัตโนมัติ ซึ่งแก๊ส Carbon Dioxide (CO2) เป็นระบบดับเพลิงที่มีประสิทธิภาพ และมีชื่อเสียงในการดับไฟมาหลาย 10 ปีแล้ว ตลอดระยะเวลาทีผ่านมาระบบด้วยแก๊ส Carbon Dioxide (CO2) และอุปกรณ์ได้รับการรับรองมาตรฐาน จากสถาบัน UL, FM, NFPA เช่นเดียวกันสามารถใช้งานได้ทั้งพื้นที่โล่งและห้องปิดเพื่อป้องกันและความเสียหายที่เกิดขึ้นจากเหตุเพลิงไหม้สามารถใช้งานได้ในห้องดังต่อไปนี้ เช่น ห้องคอมพิวเตอร์ ห้องควบคุม ห้องไฟฟ้า เป็นต้น

Powered by MakeWebEasy.com
เว็บไซต์นี้มีการใช้งานคุกกี้ เพื่อเพิ่มประสิทธิภาพและประสบการณ์ที่ดีในการใช้งานเว็บไซต์ของท่าน ท่านสามารถอ่านรายละเอียดเพิ่มเติมได้ที่ นโยบายความเป็นส่วนตัว  และ  นโยบายคุกกี้